e-fat/e-carga

Motor de buje trasero S-Type Pro RF

El motor de buje trasero (rueda libre) S-Type Pro RF está diseñado para bicicletas E-Cargo y E-Fat y ofrece una potencia nominal de 750 W a 1500 W. Cuenta con una rueda libre de 7 velocidades, una puntera de 175 mm y un par máximo de más de 145 Nm. Este motor proporciona una fuerte tracción en condiciones de baja velocidad, lo que garantiza una capacidad de ascenso estable en pendientes pronunciadas y arena suave y resuelve eficazmente las deficiencias de potencia en condiciones de carga alta. Equipado con engranajes de plástico y acero patentados por HENTACH, ofrece 5 veces la capacidad de torque de los engranajes de nailon tradicionales, con una duración de más de 40.000 km y una reducción significativa de los costos de mantenimiento. En aplicaciones de bicicletas eléctricas de más de 1000 W, solo los engranajes de plástico y acero de Hengtai pueden soportar pares continuos superiores a 100 Nm.

Parámetro clave
Estructura motora: Tensión nominal (V): Potencia nominal (W):
/ 36-60 600-1500
Par máximo (N.m.): Peso (kilogramos): ANTIGUO (mm):
145 5.8 175
información detallada
  • Motor de buje trasero S-Type Pro RF
  • Motor de buje trasero S-Type Pro RF
Ningbo Yinzhou HENTACH Electromechanical Co., Ltd. Product Parameters Ningbo Yinzhou HENTACH Electromechanical Co., Ltd. Drawing Ningbo Yinzhou HENTACH Electromechanical Co., Ltd. Contact Us

Datos básicos

potencia nominal 600-1500
Tensión nominal 36-60
Diámetro de la rueda 20-26
Rango de velocidad 35-65
Par máximo 145
Relación de engranajes 5
Peso (kilogramos) 5.8

Parámetros de instalación

Freno freno de disco
Casete del sensor de par No
Ruta de cableado Lado del eje izquierdo
Agujero del radio 2-18-Ф3.2
Clasificación impermeable IP54 (hasta IP65)
Volante/Rueda dentada velocidad de giro de siete velocidades
Certificados TUV/EN15194/RoHS

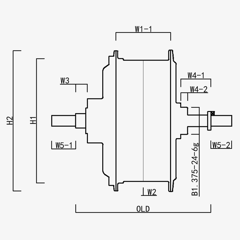
H1/OD: 162
H2/diámetro exterior del motor: 183
W1(-1/-2): 70.8
W2: 0
W3: 15.2
W4(-1/-2): 39/9
W5(-1/-2): 31/27
VIEJO: 175
Longitud del eje: 233
Ningbo Yinzhou HENTACH Electromechanical Co., Ltd.
contáctanos
  • Enviar y enviar
Ningbo Yinzhou HENTACH Electromechanical Co., Ltd.
LO QUE NOS DIFERENCIA
  • Potente motor de buje de tracción trasera con engranajes abiertos de 175 mm, con potencia nominal de hasta 1500 w.

  • Engranajes de plástico patentados inventados: 5 veces el par de los engranajes de nailon; vida útil superior a 40.000 km; menor posventa

  • Par de calado de hasta 145 NM o más, diseñado para efat/Cargo.

QUIENES SOMOS Más de 20 años de experiencia en producción.

Ningbo Yinzhou HENTACH Electromechanical Co., Ltd. (Anteriormente Hengtai Motor) Fundada en 1995 y anteriormente conocida como "Hengtai Motor" (el nombre chino de nuestra empresa), adoptamos oficialmente el nombre en inglés "HENTACH Motor" en 2020. Ambos nombres representan al mismo fabricante confiable dedicado a la innovación electromecánica durante más de 30 años. Especializados en la fundición y el procesamiento de precisión de motores de CC en miniatura, motores de cubo de motocicletas/eléctricos y aleaciones de aluminio y magnesio para vehículos eléctricos, combinamos un riguroso sistema de control de calidad ISO 9001, prácticas de gestión maduras y equipos de prueba/fabricación de vanguardia para ofrecer soluciones confiables.

Con capacidades integrales que abarcan desde la fundición de la materia prima hasta la entrega del producto final, atendemos a diversos mercados, incluyendo bicicletas eléctricas, vehículos de carga, vehículos guiados automáticamente (AGV), carritos de golf, maquinaria agrícola y karts eléctricos. Nuestras instalaciones de más de 9.000 m² (5.000 m² de superficie construida) albergan más de 60 unidades de equipos de producción avanzados, incluyendo máquinas de fundición a presión de 500 toneladas, máquinas herramienta CNC de precisión, sistemas de marcado láser, líneas de oxidación por microarco y dos bancos de pruebas específicos para motores de vehículos eléctricos. Esta infraestructura garantiza una producción eficiente y el estricto cumplimiento de las normas internacionales de calidad.

En HENTACH (Hengtai), damos prioridad a los materiales de alta calidad y la tecnología patentada: nuestro equipo de nailon y acero patentado es un testimonio de nuestra excelencia en ingeniería. Para validar la durabilidad, una vez lanzamos un programa de garantía de kilometraje para motores que superan las 30 000 millas. ¿El resultado? Más de 50 motores no sólo alcanzaron este punto de referencia, sino que lo superaron, y algunos alcanzaron unas impresionantes 50.000 millas. Este desempeño en el mundo real refleja nuestro enfoque inquebrantable en la confiabilidad y nos motiva a innovar continuamente para lograr soluciones de motores más inteligentes y potentes.
Confíe en la marca conocida mundialmente como Hengtai Motor y HENTACH Motor, donde la innovación patentada de engranajes de acero se combina con una durabilidad comprobada.

Certificado por Certificaciones