Carretera / Carretera eléctrica

Motor de buje trasero HT MINI2 EJE PASANTE

El motor de buje de eje pasante HT MINI2 de 7 mm está diseñado para bicicletas de carretera de alta gama y bicicletas eléctricas de eje pasante urbanas. Presenta un diseño de eje pasante de 7 mm, compatible con ejes de 10 mm y 12 mm, y pesa solo 1,75 kg (sin casete). El diseño de puntera de 135 mm y el par de 35 Nm garantizan un alto rendimiento. Su salida de cables del lado izquierdo optimiza la gestión de cables y mejora la estabilidad y seguridad. Equipado con engranajes patentados de plástico y acero, el motor ofrece cinco veces la resistencia de los engranajes de nailon, dura más de 40.000 km y reduce los costos de mantenimiento. El diseño del rotor externo minimiza los errores acumulativos, lo que garantiza una mayor resistencia y durabilidad.

Parámetro clave
Estructura motora: Tensión nominal (V): Potencia nominal (W):
Motor de cubo Outrunner 36-48 180-220
Par máximo (N.m.): Peso (kilogramos): ANTIGUO (mm):
35 1.95(Con casete) 135
información detallada
  • Motor de buje trasero HT MINI2 EJE PASANTE
  • Motor de buje trasero HT MINI2 EJE PASANTE
Ningbo Yinzhou HENTACH Electromechanical Co., Ltd. Product Parameters Ningbo Yinzhou HENTACH Electromechanical Co., Ltd. Drawing Ningbo Yinzhou HENTACH Electromechanical Co., Ltd. Contact Us

Datos básicos

potencia nominal 180-220
Tensión nominal 36-48
Diámetro de la rueda 20-28
Rango de velocidad 25-32
Par máximo 35
Relación de engranajes 5
Peso (kilogramos) 1,95 (con casete)

Parámetros de instalación

Freno freno de disco
Casete del sensor de par Disponible
Ruta de cableado Lado del eje izquierdo
Agujero del radio 2-18-Ф3.2
Clasificación impermeable IP54 (hasta IP65)
Volante/Rueda dentada Casete de 7-12 velocidades
Certificados TUV/EN15194/RoHS

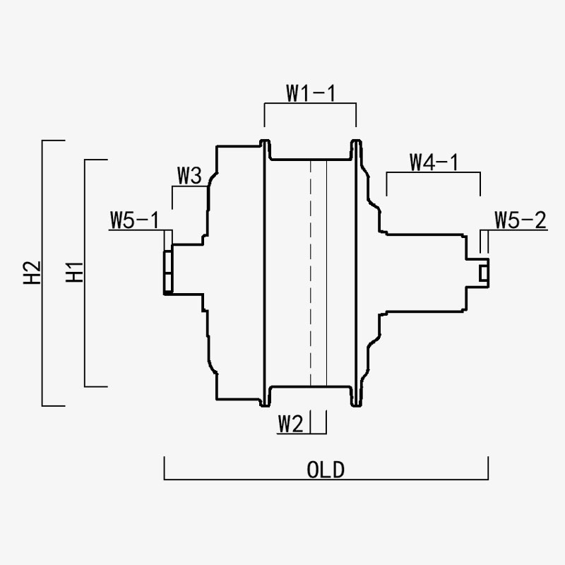
H1/OD: 99.7
H2/diámetro exterior del motor: 116.7
W1(-1/-2): 40
W2: 7
W3: 15.25
W4(-1/-2): 42.5
W5(-1/-2): 3.5
VIEJO: 135
Longitud del eje: 142
Ningbo Yinzhou HENTACH Electromechanical Co., Ltd.
contáctanos
  • Enviar y enviar
Ningbo Yinzhou HENTACH Electromechanical Co., Ltd.
LO QUE NOS DIFERENCIA
  • Engranaje de acero plástico patentado: 5 veces el par de torsión del engranaje de nailon; esperanza de vida superior a 40.000 km; menor servicio postventa

  • Motor externo: estructura más estable y menor tasa de fallas en comparación con el rotor interno

  • El eje cilíndrico de 7 mm se puede adaptar a una estructura de eje cilíndrico de 10 mm, más ligero y más pequeño, con una apertura de engranaje de 135 mm y puede alcanzar un par de 35 NM

QUIENES SOMOS Más de 20 años de experiencia en producción.

Ningbo Yinzhou HENTACH Electromechanical Co., Ltd. (Anteriormente Hengtai Motor) Fundada en 1995 y anteriormente conocida como "Hengtai Motor" (el nombre chino de nuestra empresa), adoptamos oficialmente el nombre en inglés "HENTACH Motor" en 2020. Ambos nombres representan al mismo fabricante confiable dedicado a la innovación electromecánica durante más de 30 años. Especializados en la fundición y el procesamiento de precisión de motores de CC en miniatura, motores de cubo de motocicletas/eléctricos y aleaciones de aluminio y magnesio para vehículos eléctricos, combinamos un riguroso sistema de control de calidad ISO 9001, prácticas de gestión maduras y equipos de prueba/fabricación de vanguardia para ofrecer soluciones confiables.

Con capacidades integrales que abarcan desde la fundición de la materia prima hasta la entrega del producto final, atendemos a diversos mercados, incluyendo bicicletas eléctricas, vehículos de carga, vehículos guiados automáticamente (AGV), carritos de golf, maquinaria agrícola y karts eléctricos. Nuestras instalaciones de más de 9.000 m² (5.000 m² de superficie construida) albergan más de 60 unidades de equipos de producción avanzados, incluyendo máquinas de fundición a presión de 500 toneladas, máquinas herramienta CNC de precisión, sistemas de marcado láser, líneas de oxidación por microarco y dos bancos de pruebas específicos para motores de vehículos eléctricos. Esta infraestructura garantiza una producción eficiente y el estricto cumplimiento de las normas internacionales de calidad.

En HENTACH (Hengtai), damos prioridad a los materiales de alta calidad y la tecnología patentada: nuestro equipo de nailon y acero patentado es un testimonio de nuestra excelencia en ingeniería. Para validar la durabilidad, una vez lanzamos un programa de garantía de kilometraje para motores que superan las 30 000 millas. ¿El resultado? Más de 50 motores no sólo alcanzaron este punto de referencia, sino que lo superaron, y algunos alcanzaron unas impresionantes 50.000 millas. Este desempeño en el mundo real refleja nuestro enfoque inquebrantable en la confiabilidad y nos motiva a innovar continuamente para lograr soluciones de motores más inteligentes y potentes.
Confíe en la marca conocida mundialmente como Hengtai Motor y HENTACH Motor, donde la innovación patentada de engranajes de acero se combina con una durabilidad comprobada.

Certificado por Certificaciones