Carga electrónica

Motor de buje trasero tipo P R500

El motor de buje trasero de la bicicleta eléctrica de carga P-Type R500, diseñado especialmente para aplicaciones de carga, cuenta con una potencia nominal de 500 W, lo que brinda una potencia fuerte y estable para cargas pesadas y transporte de larga distancia. Garantiza un rendimiento eficiente y estable en condiciones urbanas complejas, en pendientes o cuando está completamente cargado, lo que mejora significativamente la eficiencia de la carga. Además, reduce el consumo de energía en terrenos planos y a velocidades más altas, lo que mejora la eficiencia general del ciclismo.

Parámetro clave
Estructura motora: Tensión nominal (V): Potencia nominal (W):
Motor de cubo de tracción trasera 36-48 350-500
Par máximo (N.m.): Peso (kilogramos): ANTIGUO (mm):
50 3.85 160
información detallada
  • Motor de buje trasero tipo P R500
  • Motor de buje trasero tipo P R500
Ningbo Yinzhou HENTACH Electromechanical Co., Ltd. Product Parameters Ningbo Yinzhou HENTACH Electromechanical Co., Ltd. Drawing Ningbo Yinzhou HENTACH Electromechanical Co., Ltd. Contact Us

Datos básicos

potencia nominal 350-500
Tensión nominal 36-48
Diámetro de la rueda 20-26
Rango de velocidad 25-35
Par máximo 50
Relación de engranajes 5
Peso (kilogramos) 3.85

Parámetros de instalación

Freno freno de disco
Casete del sensor de par No
Ruta de cableado Eje Central Izquierdo
Agujero del radio 2-18-Ф3.2
Clasificación impermeable IP54 (hasta IP65)
Volante/Rueda dentada Rotativo de 7 velocidades
Certificados TUV/EN15194/RoHS

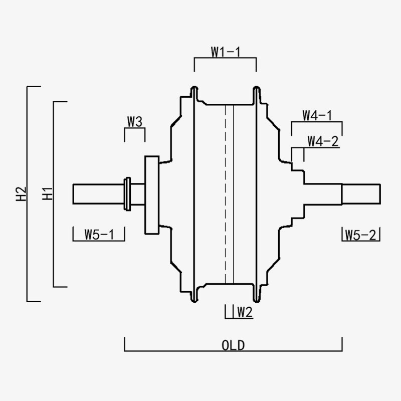
H1/OD: 136.5
H2/diámetro exterior del motor: 158.5
W1(-1/-2): 45.5
W2: 6
W3: 15
W4(-1/-2): 37/9
W5(-1/-2): 38/28
VIEJO: 160
Longitud del eje: 226
Ningbo Yinzhou HENTACH Electromechanical Co., Ltd.
contáctanos
  • Enviar y enviar
Ningbo Yinzhou HENTACH Electromechanical Co., Ltd.
LO QUE NOS DIFERENCIA
  • Un potente motor de buje de tracción trasera diseñado específicamente para bicicletas eléctricas con neumáticos gruesos, con un volante giratorio de 7 velocidades, una apertura de engranaje de 160 mm y una potencia nominal de hasta 500 w.

  • Engranaje de acero plástico patentado: 5 veces el par de los engranajes de nailon; esperanza de vida superior a 40.000 kilómetros; menor posventa

  • Par de pérdida de más de 50 NM, diseñado específicamente para eCargo.

QUIENES SOMOS Más de 20 años de experiencia en producción.

Ningbo Yinzhou HENTACH Electromechanical Co., Ltd. (Anteriormente Hengtai Motor) Fundada en 1995 y anteriormente conocida como "Hengtai Motor" (el nombre chino de nuestra empresa), adoptamos oficialmente el nombre en inglés "HENTACH Motor" en 2020. Ambos nombres representan al mismo fabricante confiable dedicado a la innovación electromecánica durante más de 30 años. Especializados en la fundición y el procesamiento de precisión de motores de CC en miniatura, motores de cubo de motocicletas/eléctricos y aleaciones de aluminio y magnesio para vehículos eléctricos, combinamos un riguroso sistema de control de calidad ISO 9001, prácticas de gestión maduras y equipos de prueba/fabricación de vanguardia para ofrecer soluciones confiables.

Con capacidades integrales que abarcan desde la fundición de la materia prima hasta la entrega del producto final, atendemos a diversos mercados, incluyendo bicicletas eléctricas, vehículos de carga, vehículos guiados automáticamente (AGV), carritos de golf, maquinaria agrícola y karts eléctricos. Nuestras instalaciones de más de 9.000 m² (5.000 m² de superficie construida) albergan más de 60 unidades de equipos de producción avanzados, incluyendo máquinas de fundición a presión de 500 toneladas, máquinas herramienta CNC de precisión, sistemas de marcado láser, líneas de oxidación por microarco y dos bancos de pruebas específicos para motores de vehículos eléctricos. Esta infraestructura garantiza una producción eficiente y el estricto cumplimiento de las normas internacionales de calidad.

En HENTACH (Hengtai), damos prioridad a los materiales de alta calidad y la tecnología patentada: nuestro equipo de nailon y acero patentado es un testimonio de nuestra excelencia en ingeniería. Para validar la durabilidad, una vez lanzamos un programa de garantía de kilometraje para motores que superan las 30 000 millas. ¿El resultado? Más de 50 motores no sólo alcanzaron este punto de referencia, sino que lo superaron, y algunos alcanzaron unas impresionantes 50.000 millas. Este desempeño en el mundo real refleja nuestro enfoque inquebrantable en la confiabilidad y nos motiva a innovar continuamente para lograr soluciones de motores más inteligentes y potentes.
Confíe en la marca conocida mundialmente como Hengtai Motor y HENTACH Motor, donde la innovación patentada de engranajes de acero se combina con una durabilidad comprobada.

Certificado por Certificaciones