Ciudad electrónica

Motor de buje trasero tipo C R350

El motor de buje trasero C-Type R350, diseñado para bicicletas eléctricas urbanas, ofrece un rango de potencia nominal de 250-400 W y admite rosca de rueda libre de una o 7 velocidades. Compatible con sistemas de 36 V o 48 V, proporciona un rendimiento estable con una clasificación de impermeabilidad de hasta IP65. El motor presenta un par de 45 Nm y equipa engranajes de acero plástico duraderos patentados por HT, ideales para paradas y arranques frecuentes en entornos urbanos y aplicaciones de freno electrónico.

Parámetro clave
Estructura motora: Tensión nominal (V): Potencia nominal (W):
Motor de cubo de tracción trasera 36-48 250-400
Par máximo (N.m.): Peso (kilogramos): ANTIGUO (mm):
45 3 137
información detallada
  • Motor de buje trasero tipo C R350
  • Motor de buje trasero tipo C R350
Ningbo Yinzhou HENTACH Electromechanical Co., Ltd. Product Parameters Ningbo Yinzhou HENTACH Electromechanical Co., Ltd. Drawing Ningbo Yinzhou HENTACH Electromechanical Co., Ltd. Contact Us

Datos básicos

potencia nominal 250-400
Tensión nominal 36-48
Diámetro de la rueda 20-28
Rango de velocidad 25-38
Par máximo 45
Relación de engranajes 4.43
Peso (kilogramos) 3

Parámetros de instalación

Freno freno de disco
Casete del sensor de par No
Ruta de cableado Eje Central Derecho
Agujero del radio 2-18-Ф3.2
Clasificación impermeable IP54 (hasta IP65)
Volante/Rueda dentada Rotativo de 7 velocidades
Certificados TUV/EN15194/RoHS/UL1004-1

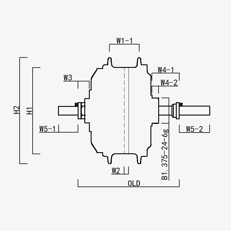
H1/OD: 117
H2/diámetro exterior del motor: 144
W1(-1/-2): 40
W2: 5.9
W3: 15.2
W4(-1/-2): 37/9
W5(-1/-2): 26,5/41,5
VIEJO: 137
Longitud del eje: 205
Ningbo Yinzhou HENTACH Electromechanical Co., Ltd.
contáctanos
  • Enviar y enviar
Ningbo Yinzhou HENTACH Electromechanical Co., Ltd.
LO QUE NOS DIFERENCIA
  • El peso es de sólo 3 kg y el par de pérdida puede alcanzar los 45 NM.

  • Engranaje de acero plástico patentado: 5 veces el par de torsión del engranaje de nailon; la esperanza de vida es superior a 40.000 kilómetros; menor posventa

  • Equipado con un volante giratorio de 7 velocidades, con una apertura de engranaje de 137 mm, diseñado para c-city

QUIENES SOMOS Más de 20 años de experiencia en producción.

Ningbo Yinzhou HENTACH Electromechanical Co., Ltd. (Anteriormente Hengtai Motor) Fundada en 1995 y anteriormente conocida como "Hengtai Motor" (el nombre chino de nuestra empresa), adoptamos oficialmente el nombre en inglés "HENTACH Motor" en 2020. Ambos nombres representan al mismo fabricante confiable dedicado a la innovación electromecánica durante más de 30 años. Especializados en la fundición y el procesamiento de precisión de motores de CC en miniatura, motores de cubo de motocicletas/eléctricos y aleaciones de aluminio y magnesio para vehículos eléctricos, combinamos un riguroso sistema de control de calidad ISO 9001, prácticas de gestión maduras y equipos de prueba/fabricación de vanguardia para ofrecer soluciones confiables.

Con capacidades integrales que abarcan desde la fundición de la materia prima hasta la entrega del producto final, atendemos a diversos mercados, incluyendo bicicletas eléctricas, vehículos de carga, vehículos guiados automáticamente (AGV), carritos de golf, maquinaria agrícola y karts eléctricos. Nuestras instalaciones de más de 9.000 m² (5.000 m² de superficie construida) albergan más de 60 unidades de equipos de producción avanzados, incluyendo máquinas de fundición a presión de 500 toneladas, máquinas herramienta CNC de precisión, sistemas de marcado láser, líneas de oxidación por microarco y dos bancos de pruebas específicos para motores de vehículos eléctricos. Esta infraestructura garantiza una producción eficiente y el estricto cumplimiento de las normas internacionales de calidad.

En HENTACH (Hengtai), damos prioridad a los materiales de alta calidad y la tecnología patentada: nuestro equipo de nailon y acero patentado es un testimonio de nuestra excelencia en ingeniería. Para validar la durabilidad, una vez lanzamos un programa de garantía de kilometraje para motores que superan las 30 000 millas. ¿El resultado? Más de 50 motores no sólo alcanzaron este punto de referencia, sino que lo superaron, y algunos alcanzaron unas impresionantes 50.000 millas. Este desempeño en el mundo real refleja nuestro enfoque inquebrantable en la confiabilidad y nos motiva a innovar continuamente para lograr soluciones de motores más inteligentes y potentes.
Confíe en la marca conocida mundialmente como Hengtai Motor y HENTACH Motor, donde la innovación patentada de engranajes de acero se combina con una durabilidad comprobada.

Certificado por Certificaciones