Carretera / Carretera eléctrica

Motor de buje trasero de eje pasante tipo D

El motor de buje trasero D-TYPE THRU AXLE, diseñado para e-MTB y bicicletas e-road/Graval, pesa solo 2,4 kg (cassette incluido) con un eje pasante de 148 mm. Su diseño liviano y su estructura de eje pasante garantizan una alta resistencia y estabilidad durante la conducción a alta velocidad. Con una potencia nominal de 48 V, 250 W y más de 50 Nm de par de parada, es compatible con un casete de sensor de par, lo que proporciona una aceleración suave y un rendimiento sensible para diversos terrenos.

Parámetro clave
Estructura motora: Tensión nominal (V): Potencia nominal (W):
Motor de cubo Outrunner 36-48 220-250
Par máximo (N.m.): Peso (kilogramos): ANTIGUO (mm):
>50 millas náuticas 2.4 (Con casete) 141
información detallada
  • Motor de buje trasero de eje pasante tipo D
  • Motor de buje trasero de eje pasante tipo D
Ningbo Yinzhou HENTACH Electromechanical Co., Ltd. Product Parameters Ningbo Yinzhou HENTACH Electromechanical Co., Ltd. Drawing Ningbo Yinzhou HENTACH Electromechanical Co., Ltd. Contact Us

Datos básicos

potencia nominal 220-250
Tensión nominal 36-48
Diámetro de la rueda 20-28
Rango de velocidad 25-32
Par máximo >50 millas náuticas
Relación de engranajes 6.3
Peso (kilogramos) 2.4 (Con casete)

Parámetros de instalación

Freno freno de disco
Casete del sensor de par si
Ruta de cableado Lado del eje izquierdo
Agujero del radio 2-18-Ф3.2
Clasificación impermeable IP54 (hasta IP65)
Volante/Rueda dentada Cassette 7-12 velocidades/Cassette 7-12 velocidades
Certificados TUV/EN15194/RoHS

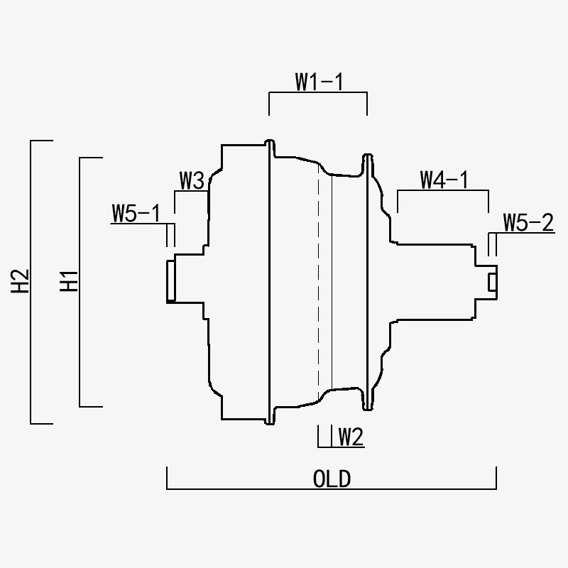
H1/OD: 112
H2/diámetro exterior del motor: 128
W1(-1/-2): 44
W2: 6
W3: 15.25
W4(-1/-2): 42.5
W5(-1/-2): 3.5
VIEJO: 141
Longitud del eje: 148
Ningbo Yinzhou HENTACH Electromechanical Co., Ltd.
contáctanos
  • Enviar y enviar
Ningbo Yinzhou HENTACH Electromechanical Co., Ltd.
LO QUE NOS DIFERENCIA
  • Engranaje de acero plástico patentado: 5 veces el par de torsión del engranaje de nailon; esperanza de vida superior a 40.000 km; menor servicio postventa

  • Motor de rotor externo: estructura más estable y menor tasa de fallas en comparación con el rotor interno

  • La estructura de eje cilíndrico estándar de 10 mm, más liviana y pequeña, con una apertura de engranaje de 142 mm, puede alcanzar un par de >50 NM, el motor de eje cilíndrico de 250 vatios con el par más grande del mercado

QUIENES SOMOS Más de 20 años de experiencia en producción.

Ningbo Yinzhou HENTACH Electromechanical Co., Ltd. (Anteriormente Hengtai Motor) Fundada en 1995 y anteriormente conocida como "Hengtai Motor" (el nombre chino de nuestra empresa), adoptamos oficialmente el nombre en inglés "HENTACH Motor" en 2020. Ambos nombres representan al mismo fabricante confiable dedicado a la innovación electromecánica durante más de 30 años. Especializados en la fundición y el procesamiento de precisión de motores de CC en miniatura, motores de cubo de motocicletas/eléctricos y aleaciones de aluminio y magnesio para vehículos eléctricos, combinamos un riguroso sistema de control de calidad ISO 9001, prácticas de gestión maduras y equipos de prueba/fabricación de vanguardia para ofrecer soluciones confiables.

Con capacidades integrales que abarcan desde la fundición de la materia prima hasta la entrega del producto final, atendemos a diversos mercados, incluyendo bicicletas eléctricas, vehículos de carga, vehículos guiados automáticamente (AGV), carritos de golf, maquinaria agrícola y karts eléctricos. Nuestras instalaciones de más de 9.000 m² (5.000 m² de superficie construida) albergan más de 60 unidades de equipos de producción avanzados, incluyendo máquinas de fundición a presión de 500 toneladas, máquinas herramienta CNC de precisión, sistemas de marcado láser, líneas de oxidación por microarco y dos bancos de pruebas específicos para motores de vehículos eléctricos. Esta infraestructura garantiza una producción eficiente y el estricto cumplimiento de las normas internacionales de calidad.

En HENTACH (Hengtai), damos prioridad a los materiales de alta calidad y la tecnología patentada: nuestro equipo de nailon y acero patentado es un testimonio de nuestra excelencia en ingeniería. Para validar la durabilidad, una vez lanzamos un programa de garantía de kilometraje para motores que superan las 30 000 millas. ¿El resultado? Más de 50 motores no sólo alcanzaron este punto de referencia, sino que lo superaron, y algunos alcanzaron unas impresionantes 50.000 millas. Este desempeño en el mundo real refleja nuestro enfoque inquebrantable en la confiabilidad y nos motiva a innovar continuamente para lograr soluciones de motores más inteligentes y potentes.
Confíe en la marca conocida mundialmente como Hengtai Motor y HENTACH Motor, donde la innovación patentada de engranajes de acero se combina con una durabilidad comprobada.

Certificado por Certificaciones